+86-563-4186973

Magsumite ng feedback

Heavy-duty anti-shift panlabas na snap ring-M2400 SW Mga supplier

Home / Mga produkto / Snap Rings / Heavy-duty anti-shift panlabas na snap ring-M2400 SW

Mga kategorya ng produkto

Malinaw ang lahat

Makipag -ugnay sa amin

Heavy-duty anti-shift panlabas na snap ring-M2400 SW

Ang isang mabibigat na duty na anti-shift na panlabas na snap singsing ay isang aparato na ginamit upang maiwasan ang tindig mula sa pagpapatakbo sa tindig na pabahay ng pabahay, ang pangunahing papel nito ay upang ayusin ang tindig, sa halip na pagpepreno, na ginagamit ngayon sa matigas na materyal na direktang paghuhulma, ang laki ng pagkakapare-pareho ay mas mahusay.

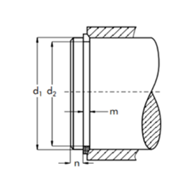
D1: pagtutukoy/laki ng nominal; S: kapal; D3: panloob na diameter; B: lapad ng balikat; WT: Timbang; FN: kapasidad ng pagdadala ng uka; FR: Pagpapanatili ng kapasidad ng singsing na singsing; NABL: Limitahan ang bilis; $ $

Heavy-duty anti-shift panlabas na snap ring-M2400 SW

D1 S (-0.1) B (-0.1) D3 Max Wt (g) D2 Tol m min Fn (kn) Fr (kn) n ablx1000
4
0.5
0.8
3.7
0.02
3.8
–0.09 $ $
0.6
0.2
1.25
275
5
0.5
1
4.7
0.05
4.8
–0.09 $ $
0.6
0.26
1.3
192
6
0.7
1.1
5.6
0.09
5.7
–0.09 $ $
0.8
0.46
3.5
141
7
0.7
1.2
6.5
0.12
6.7
–0.09 $ $
0.8
0.54
3.5
134
8
1
1.3
7.4
0.2
7.6
–0.09 $ $
1.1
0.82
6.5
108
9
1
1.3
8.4
0.24
8.6
–0.09 $ $
1.1
0.92
6.5
80
10
1
1.3
9.4
0.25
9.6
–0.09 $ $
1.1
1.03
6.5
68
11
1
1.3
10.2
0.29
10.5
–0.11 $ $
1.1
1.4
9.8
64
12
1
1.3
11.2
0.3
11.5
–0.11 $ $
1.1
1.53
9.3
53
13
1
1.3
12.2
0.34
12.5
–0.11 $ $
1.1
1.7
8.9
43
14
1.2
1.5
13.1
0.5
13.5
–0.11 $ $
1.3
1.8
17
45
15
1.2
1.75
14
0.66
14.4
–0.11 $ $
1.3
2.3
18.7
44
16
1.2
1.75
15
0.69
15.4
–0.11 $ $
1.3
2.47
17.7
38
17
1.2
1.75
16
0.72
16.4
–0.11 $ $
1.3
2.63
17
34
18
1.2
1.75
17
0.75
17.4
–0.11 $ $
1.3
2.78
16.2
30
19
1.2
1.75
17.9
0.8
18.4
–0.13 $ $
1.3
2.94
15.6
29
20
1.2
1.75
18.7
0.84
19.2
–0.13 $ $
1.3
4.1
15
26
21
1.2
1.75
19.7
0.87
20.2
–0.13 $ $
1.3
4.3
14.6
23
22
1.2
1.75
20.7
0.91
21.2
–0.13 $ $
1.3
4.5
14
21
24
1.2
1.75
22.5
0.99
23
–0.13 $ $
1.3
6.15
13.3
18
25
1.2
1.75
23.5
1
24
–0.13 $ $
1.3
6.4
12.8
16
26
1.2
1.75
24.5
1.1
25
–0.13 $ $
1.3
6.65
12.5
15
27
1.5
2.3
25.5
2
26
–0.13 $ $
1.6
6.95
30
16
28
1.5
2.3
26.5
2.11
27
–0.13 $ $
1.6
7.2
29.3
15
29
1.5
2.3
27.5
2.2
28
–0.13 $ $
1.6
7.45
28.2
14
30
1.5
2.3
28.5
2.33
29
–0.13 $ $
1.6
7.7
27.5
13
32
1.5
2.3
30.2
2.41
30.8
–0.16
1.6
9.9
26.5
13
35
1.5
2.3
33.2
2.51
33.8
–0.16 $ $
1.6
10.8
24.4
11
37
1.5
2.3
35.2
2.72
35.8
–0.16 $ $
1.6
11.3
23.5
9
38
1.5
2.3
36.2
2.83
36.8
–0.16 $ $
1.6
11.6
22.7
9
40
1.5
2.3
37.8
2.91
38.5
–0.16 $ $
1.6
15.5
22
8
42
1.5
2.3
39.8
3.1
40.5
–0.16 $ $
1.6
16.2
21.4
7
43
1.5
2.3
40.8
3.25
41.5
–0.16 $ $
1.6
16.5
21.1
7
45
1.5
2.3
42.8
3.39
43.5
–0.16 $ $
1.6
17.3
20.6
6
47
1.5
2.3
44.8
3.48
45.5
–0.16 $ $
1.6
18.2
19.2
6
48
1.5
2.3
45.8
3.6
46.5
–0.16 $ $
1.6
18.7
18.6
5
50
1.5
2.3
47.8
3.73
48.5
–0.16 $ $
1.6
19.5
18.1
5
52
1.5
2.3
49.8
3.92
50.5
–0.19 $ $
1.6
20.2
17.7
4
55
1.5
2.3
52.6
4.11
53.5
–0.19 $ $
1.6
21
16.5
4
58
1.5
2.3
55.6
4.4
56.5
–0.19 $ $
1.6
22.5
15.7
4
60
1.5
2.3
57.6
4.55
58.5
–0.19 $ $
1.6
23.2
15.4
4
63
1.5
2.3
60.6
4.58
61.5
–0.19 $ $
1.6
24.4
14.7
3
65
1.5
2.3
62.6
4.64
63.5
–0.19 $ $
1.6
25.2
14.2
3
68
2
2.8
65.4
8.59
66.2
–0.19 $ $
2.2
31.7
39.6
3
70
2
2.8
67.4
8.71
68.2
–0.19 $ $
2.2
32.5
38.4
3
72
2
2.8
69.4
8.8
70.2
–0.19 $ $
2.2
33.7
37.6
3
73
2
2.8
70.4
8.9
71.2
–0.19 $ $
2.2
34
37
3
75
2
2.8
72.4
9.32
73.2
–0.19 $ $
2.2
35
36.2
2
80
2
2.8
77.4
9.67
78.2
–0.19 $ $
2.2
37.4
34.2
2
85
2.5
3.4
82
16
83
–0.22 $ $
2.7
44
72
2
90
2.5
3.4
87
16
88
–0.22 $ $
2.7
46.5
66.3
2
95
2.5
3.4
92
18.2
93
–0.22 $ $
2.7
49.2
61.8
2
100
2.5
3.4
97
18.9
98
–0.22 $ $
2.7
51.9
57.3
2
105
2.5
3.4
101.7
20.7
102.7
–0.22 $ $
2.7
65
54
2
110
2.5
3.4
106.6
20.9
107.7
–0.22 $ $
2.7
69
50.4
1
115
2.5
3.4
111.6
22.1
112.7
–0.22 $ $
2.7
71
47.2
1
120
2.5
3.4
116.5
24.1
117.7
–0.22 $ $
2.7
75
44.8
1
125
2.5
3.4
121.5
25.1
122.7
–0.25
2.7
78.5
41.8
1
130
2.5
3.4
126.4
26.6
127.7
–0.25 $ $
2.7
84
39.6
1
135
2.5
4
131.1
30.2
132.4
–0.25 $ $
2.7
87
44
1
140
2.5
4
136
31.1
137.4
–0.25
2.7
91.5
41.6
1
145
2.5
4
141
32.6
142.4
–0.25 $ $
2.7
95
39.6
1
150
2.5
4
145.9
32.8
147.4
–0.25 $ $
2.7
98
37.5
1
155
2.5
4
150.9
34.7
154.4
–0.25
2.7
100
36.3
1
160
2.5
4
155.8
36.6
157.4
–0.25
2.7
103
35.6
1
165
2.5
4
160.8
37.4
162.4
–0.25 $ $
2.7
106
34.2
0.5
170
2.5
4
165.7
38.5
167.4
–0.25
2.7
108
33.5
0.5
175
2.5
4
170.7
39.4
172.4
–0.25 $ $
2.7
117
32.2
0.4
180
3
5
175.2
61.2
177
–0.25 $ $
3.2
140
67.5
1
185
3
5
180.2
63.9
182
–0.29
3.2
144
66.2
1
190
3
5
185.1
65.9
187
–0.29
3.2
148
64
1
195
3
5
190.1
67.5
192
–0.29
3.2
152
62.6
1
200
3
5
196
68.4
197
–0.29
3.2
156
61.4
0.5
210
3
5
204.9
72
207
–0.29
3.2
164
58
0.5
220
3
5
214.8
76.3
217
–0.29
3.2
171
55.5
0.4
230
3
5
224.7
79.8
227
–0.29
3.2
180
53
0.3
240
3
5
234.6
81.7
237
–0.29
3.2
187
51
0.3
250
3
5
244.5
86.5
247
–0.32 $ $
3.2
195
49
0.3
260
4
7.5
252.4
179
255
–0.32 $ $
4.2
338
168
0.4
265
4
7.5
257.4
185.2
260
–0.32 $ $
4.2
344
165
0.4
270
4
7.5
262.3
197.7
265
–0.32 $ $
4.2
350
162
0.4
280
4
7.5
272.2
198.7
275
–0.32 $ $
4.2
362
155
0.4
285
4
7.5
277.2
199.5
280
–0.32 $ $
4.2
370
151
0.3
290
4
7.5
282.1
205.3
285
–0.32 $ $
4.2
377
148
0.3
300
4
7.5
292.1
214.2
295
–0.32 $ $
4.2
390
145
0.3
305
4
7.5
297.1
219.4
300
–0.32 $ $
4.2
396
142
0.3
310
4
7.5
302
223.1
305
–0.32 $ $
4.2
402
139
0.3
320
4
7.5
311.9
225.3
315
–0.32 $ $
4.2
416
137
0.3
330
4
7.5
321.8
228.6
325
–0.36 $ $
4.2
428
132
0.2
340
4
7.5
331.7
239.3
335
–0.36
4.2
442
129
0.2
350
4
7.5
341.6
251.2
345
–0.36
4.2
455
123
0.2
360
4
7.5
351.5
253.1
355
–0.36
4.2
468
120
0.2
370
4
7.5
361.5
259.2
365
–0.36 $ $
4.2
482
117
0.2
380
4
7.5
371.4
265.8
375
–0.36
4.2
494
115
0.2
390
4
7.5
381.3
273.9
385
–0.36
4.2
507
112
0.2
400
4
7.5
391.2
281.1
395
–0.36
4.2
521
109
0.1
420
4.5
12
410
531
415
–0.36
4.8
547
133
0.3
460
4.5
12
449.5
582
455
–0.36
4.8
600
126
0.2
Tungkol sa amin
Anhui Ningguo Dongbo Fastener Co., Ltd.
Ang Dongbo ay itinatag noong Setyembre 2005 na may isang rehistradong kapital na 47.72 milyon. Matatagpuan ito sa National Ningguo Economic and Technological Development Zone, sumasaklaw sa isang lugar na 91 ektarya, at sa kasalukuyan ay may higit sa 420 empleyado. Ang kumpanya ay nakatuon sa paggawa ng mga pagpapanatili ng mga singsing sa loob ng 46 taon at isang propesyonal na pakyawan na mga tagagawa ng snap singsing at OEM/ODM snap retaining singsing na pabrika, na gumagawa ng mga tagapaghugas ng basura (bilog, butterfly, spherical), pagpapanatili ng mga singsing, nababanat na mga cylindrical pin at iba pang mga serye ng mga produkto at hindi pamantayan na pasadyang mga stamping na bahagi. Ito ay isang high-tech na negosyo na may malaking sukat, maraming mga uri, kumpletong mga pagtutukoy, at pinagsamang pagmamanupaktura, R&D at mga benta sa industriya.
Sertipiko ng karangalan
  • CNAs
  • IATF16949
  • Mga Sertipiko
  • ISO14001
  • Mga Sertipiko
  • Mga Sertipiko
  • Mga Sertipiko
  • Mga Sertipiko
  • Mga Sertipiko
  • Mga Sertipiko
  • Mga Sertipiko
  • Mga Sertipiko

Balita

  • Apr 27,2026

    Non-Standard Stamping Parts: Isang Kumpletong Gabay

    Ano ang Mga Bahaging Hindi Karaniwang Stamping at Kailan Mo Ito Kailangan NON-STANDARD STAMPING PARTS ay mga precision metal na bahagi na ginawa sa pamamagitan ng mga proseso ng stamping — g...

    Tingnan pa
  • Apr 22,2026

    Panlabas na Pag-install at Pag-alis ng Circlip: Step-by-Step na Gabay

    Ang mga panlabas na circlip ay kabilang sa mga pinaka-maaasahan at cost-effective na fastener sa mechanical engineering. Natagpuan sa lahat mula sa mga automotive gearbox hanggang sa mga pang-industriyang conveyor sys...

    Tingnan pa
  • Apr 15,2026

    Gabay sa Mga Snap Ring: Mga Uri, Paggamit at Pagpili

    Pag-unawa sa Core Function ng Snap Rings Mga snap ring , na kadalasang tinutukoy bilang mga retaining ring o circlips, ay nagsisilbi sa isang partikular na mekanikal na layunin: pinaghihigpitan nila ang pagga...

    Tingnan pa
  • Apr 08,2026

    Non-Standard Stamping Parts: Industrial Guide

    Engineering Precision sa Hindi karaniwang Stamping Parts Production Ang mga Non-standard na Stamping Parts ay kumakatawan sa isang kritikal na solusyon sa pagmamanupaktura para sa mga industriya na nangangailangan ...

    Tingnan pa
Heavy-duty anti-shift panlabas na snap ring-M2400 SW Industry knowledge

Pag -aayos na may katumpakan: Bakit ang M2400 SW Snap Rings ay mahalaga para sa modernong makinarya

Ang M2400 SW Heavy-duty anti-shift panlabas na singsing ay tumatagal ng konseptong ito sa susunod na antas. Inhinyero para sa mga application na may mataas na pag-load, hindi lamang ito sinisiguro ang mga bearings ngunit lumalaban din sa paglilipat na sanhi ng mga panginginig ng boses o pagpapalawak ng thermal-isang karaniwang hamon sa malupit na mga operating environment. Ginagawa nitong partikular na mahalaga sa mga senaryo kung saan kritikal ang pagiging pare -pareho at dimensional na kawastuhan, tulad ng mahirap na materyal na direktang proseso ng paghubog.

Hindi magkatugma na kalidad mula sa Anhui Ningguo Dongbo Fastener Co, Ltd.
Sa likod ng bawat pambihirang produkto ay isang kumpanya na nakatuon sa pagbabago at kalidad. Ang Anhui Ningguo Dongbo Fastener Co, Ltd, na itinatag noong Setyembre 2005, ay nagtayo ng isang reputasyon bilang pinuno sa industriya ng pangkabit. Na may higit sa apat na dekada ng karanasan na dalubhasa sa pagpapanatili ng mga singsing, tagapaghugas ng basura, at pasadyang mga solusyon sa panlililak, pinagsasama ng kumpanya ang tradisyonal na likhang-sining na may teknolohiyang paggupit.

Matatagpuan sa National Ningguo Economic and Technological Development Zone, ipinagmamalaki ng Dongbo ang mga pasilidad ng state-of-the-art na sumasaklaw sa 91 ektarya at gumagamit ng higit sa 530 mga bihasang propesyonal. Ang dedikasyon nito sa pananaliksik at pag -unlad ay nagsisiguro na ang mga produkto tulad ng M2400 SW snap ring ay nakakatugon sa umuusbong na mga pangangailangan ng mga pandaigdigang merkado. Kung ang paggawa ng mga karaniwang bahagi o pagbuo ng mga pasadyang mga solusyon, ang Dongbo ay patuloy na naghahatid ng walang kaparis na katumpakan at tibay.

Mga pangunahing tampok ng M2400 SW Snap Ring
Ano ang nagtatakda ng M2400 SW Heavy-Duty Anti-Shift External Snap Ring bukod? Narito ang ilan sa mga tampok na standout nito:

Superior Material Consistency: Ginawa gamit ang mga advanced na pamamaraan, ang M2400 SW ay nag -aalok ng pambihirang dimensional na katatagan, tinitiyak ang pinakamainam na akma at pag -andar sa iba't ibang mga aplikasyon.
Heavy-duty na disenyo: Itinayo upang mapaglabanan ang matinding panggigipit at labanan ang pagpapapangit, ang singsing na ito ay mainam para magamit sa mabibigat na makinarya at mga kapaligiran na may mataas na stress.
Kakayahang Anti-shift: Hindi tulad ng maginoo na mga singsing ng SNAP, ang M2400 SW ay nagpapaliit sa panganib ng pag-aalis dahil sa mga pagbabago sa panginginig ng boses o thermal, pagpapahusay ng pangkalahatang pagiging maaasahan ng system.
Versatility: Angkop para sa isang malawak na hanay ng mga industriya, kabilang ang automotiko, konstruksyon, at pagmamanupaktura, ang M2400 SW ay umaangkop sa magkakaibang mga kinakailangan sa pagpapatakbo.

Isang pangako sa pagbabago at kahusayan
Sa gitna ng tagumpay ni Dongbo ay matatagpuan ang isang matatag na pangako sa pagbabago. Mula sa mga pamantayang bahagi ng paggawa ng masa hanggang sa nag-aalok ng komprehensibong mga solusyon sa one-stop, ang kumpanya ay patuloy na nagtutulak ng mga hangganan. Sa pamamagitan ng pananatiling tapat sa orihinal na misyon nito-na naghahatid ng mataas na kalidad, maaasahang mga produkto-Nakamit ng Dongbo ang tiwala ng mga customer sa buong industriya.

Habang nagbabago ang mga industriya at hinihiling ang lalong sopistikadong mga solusyon, ang kahalagahan ng mga sangkap na may linya ng katumpakan tulad ng M2400 SW snap singsing ay hindi maaaring ma-overstated. Ang mga maliliit ngunit makapangyarihang aparato ay naglalaro ng isang mahalagang papel sa pagpapanatiling maayos ang makinarya, mahusay, at ligtas.